0
中文
│
English
Home
Company profile
About us
procedure
Video
Products
LIFT-O-MAT
LIFT-O-MAT
06X15 Carbon Steel Series
08X18 Carbon Steel Series
10X22 Carbon Steel Series
14X28 Carbon Steel Series
20X40 Carbon Steel Series
LIFT-O-MAT INOX LINE
4/12 SUS316
6/15 SUS316
8/18 SUS316
10/22 SUS316
14/28 SUS316
LIFT-O-MAT-DD Dynamic
06X15 Dynamic Damping
08X19 Dynamic Damping
10X22 Dynamic Damping
LIFT-O-MAT With Safety Tube
8mmx18mm
10mmx22mm
INOXLINE Safety Tube-Gas Spring
8/18 Stainless 316 Safety Tube
10/22 Stainless 316 Safety Tube
LIFT-O-MAT Push To Lift
LIFT-O-MAT-PTL
BLOC-O-LIFT
BLOC-O-LIFT
Gas Spring - Lock Type
BLOC-O-LIFT T
10x28 Standard type
BLOC-O-LIFT OBT
08x22mm
BOL Series Special accessories
Tension Spring
Z0619 Tension Spring
Z1028 Tension Spring
STAB-O-SHOC
HD Compression Damping
HD15C 6mm Piston Rod x 15mm cylinder
HD18C 8mm Piston Rod x 18mm cylinder
HD24C 10mm Piston Rod x 24mm cylinder
HD Extension Damping
HD15E 6mm Piston Rod x 15mm cylinder
HD18E 8mm Piston Rod x 18mm cylinder
HD24E10mm Piston Rod x 24mm cylinder
Furniture Gas Spring
Vehicle Replacement
Industrial Powerise
Brackets
Connecting Parts
Ball Studs
Gas Spring Accessory
New Products
Related Information
Force diagram
Applications
Installation calculation
General advice for Installation
Customer installation example
Test report
Purchasing
News
Home
Connecting Parts
U FORK LOCKING CLIP SERIES STEEL
U FORK LOCKING CLIP SERIES STEEL
Continue to buy
Inquiry immediately
Product Details
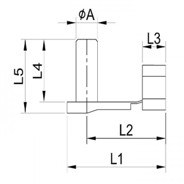
Unit:mm
Model No.
∅A
L1
L2
L3
L4
L5
Material
Surface Treatment
Weight (g)
U5 LOCKING CLIP
6
27.5
22
6.5
14
16.5
12L14
White Zinc Plated
U6 LOCKING CLIP
8
36
29.8
8
19
21.8
U7 LOCKING CLIP
10
45
38
10
23
26
Similar products
More
M19M8 SERIES (Hole Dia. 13mm)
More
M9 STEEL (Hole Dia. 10mm)
More
A15S STEEL (SUS 303 Germany Series)
More
A7 STEEL EYELET
More
A6600 STEEL EYELET
More
B6 (Hole Dia. 10mm)
More
B10/B10A (Hole Dia. 10mm)
More
B10-18 (Hole Dia. 10mm)
More
B218/15Deg.(Hole Dia. 10mm)
More
B1018E-BLACK(Hole Dia. 10mm)
More
B10-25M8-Gray (Hole Dia. 10mm)
More
C13 SERIES (Hole Dia. 8mm)
More
C19 STEEL / SUS 303 (Hole Dia. 13mm)
More
C18 STEEL / SUS 303 (Hole Dia. 10mm)
More
C24 STEEL (Hole Dia. 16mm)
More
C9 STEEL / SUS303 (Hole Dia. 10mm)
More
C1820 15 DEGREE (Hole Dia. 10mm)
More
C920M6 20 Deg. (Hole Dia. 10mm)
More
Safety Clip for C9 & C19 STEEL
More
D1/D2/D3/D3A/D4/D5/D9 ALLOY ZINC DIE CASTING
More
D7/D7A/D7B ALLOY ZINC DIE CASTING
More
L1A STEEL EYELET (Hole Dia. 4mm)
More
L1 ALUMINUM / SUS303
More
L2 ALUMINUM / SUS303
More
L3 ALUMINUM SERIES
More
L4 ALUMINUM
More
L5 STEEL (SUS 303 & ZINC Series)
More
L8S
More
NL01/NL05 ALUMINUM
More
NL06/NL07 ALUMINUM
More
A40M14
More
SS1 PLASTIC
More
SS2 Plastic (suit for ball 10 mm)
More
SS3 PLASTIC
More
T8/T10 ALLOY ZINC DIE CASTING
More
U FORK SERIES STEEL
More
U FORK WITH LOCKING CLIP SERIES STEEL
More
PILLOBALL Rod Ends
More
LES-8050
More
Plastic Damper for Gas Spring