0
Release head for permanent release
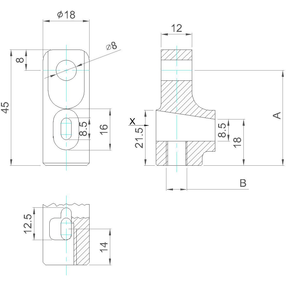
Product Details

 Unit:mm 

Part No. Hole Center To End 
(A)
Thread 
(B)
Hole Dia. Material
STDE-ACC-BOL-1516CC 37 M8X1.0 Ø8 Alloy Die Casting
STDE-ACC-BOL-271985 37 M10X1.0 Ø8 Alloy Die Casting

 
1.The release head has two functions. In addition to be used as start switch, it can also be turned into a release type by pulling the handle side, which can keep the state in a freely retractable.
 

2.PN: STDE-ACC-BOL-0516CC Suit for: BOLOBT gas spring series needs to be used with Release lever.
 

3.PN: STDE-ACC-BOL-271985  Suit for : BOL gas spring seriesBOL-T gas spring series needs to be used with Release lever.

 

Similar products